
涪原工业股份 (台湾公司)
中山涪原五金 (大陆工厂)
24小时咨询热线
0760-23803726

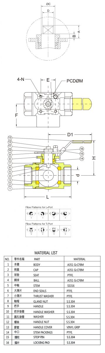
三通式减流手动螺纹球阀
● 防爆中軸BLOW-OUT PROOF STEM
● 带ISO5211平臺座 WITH ISO 5211 DIRECT MOUNTING PAD
● 工作座力WORKING PRESSURE(CWP):DN8~DN50 1000psi PN63 bar
● 適用温度範圍TEMPERATURE RANGE :-20 to180℃
● 掛锁装置 LOCKING DEVICE
● L型埠或T型埠可用360°旋轉把手
L-PORT ORT-PORT AVAILABLE 360°POTARY HANDLE
● 管螺紋参照 PIPE THREAD IN ACCORDANCE
ASME B1.20.1(NPT)
DIN 259/DIN 2999
ISO 228/ISO 7-1
BS 21(PT)/BS EN 10226(R)

