涪原工业股份 (台湾公司)

中山涪原五金 (大陆工厂)

24小时咨询热线

0760-23803726

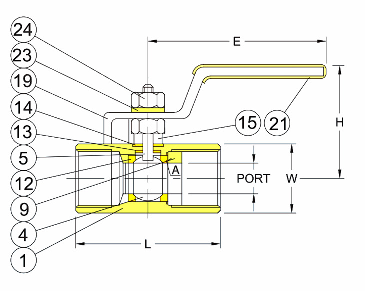
V-1HC

  减流1/4"~2"(DN8~DN50) 

一片式牙口减流球阀 

●    防爆中轴

●    适用温度范围: -20 to 180℃

●    工作压力:DN8-DN25  2000psi 、 DN32-DN50  1500psi
 
●    管螺纹参照 : ASME B1.20.1 ( NPT )  DIN 259 /  DIN2999  ISO228 / ISO 7 - 1 BS 21 ( PT ) / BSEN 10226 (R)
Material List

 

Dimension