涪原工业股份 (台湾公司)

中山涪原五金 (大陆工厂)

24小时咨询热线

0760-23803726

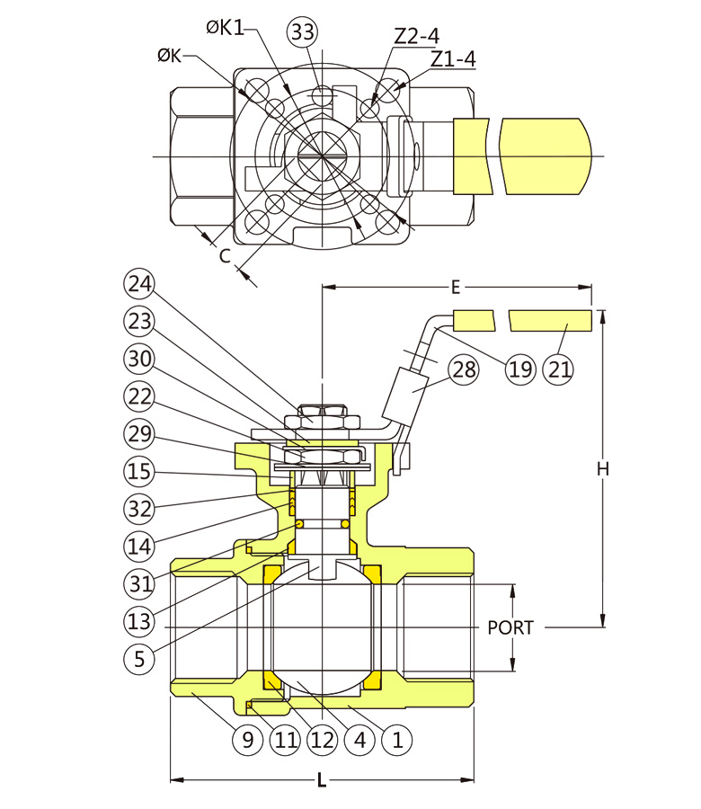
V-2D

 全流 1/4"~2"(DN8~DN50) 

二片式高平台牙口全流球阀

●    ISO5211平臺直接安裝ISO 5211 DIRECT MOUNTING PAD

●    防爆中軸BLOW-OUT PROOF STEM
 
●    工作壓力WORKING PRESSURE(CWP): DN8~DN50 1000psi 、DN65~DN80 800psi
 
●    適用溫度範圍TEMPERATURERANGE:-20 to 180°C
 
●    掛鎖裝置LOCKING DEVICE
 
●    管螺紋參照PIPE THREAD IN ACCORDANCE
                       ASME B1.20.1(NPT)
                       DIN 259/DIN 2999
                       ISO 228/ISO 7-1
                        BS 21 (PT) /BS EN 10226 (R)
Material List

Dimension