涪原工业股份 (台湾公司)

中山涪原五金 (大陆工厂)

24小时咨询热线

0760-23803726

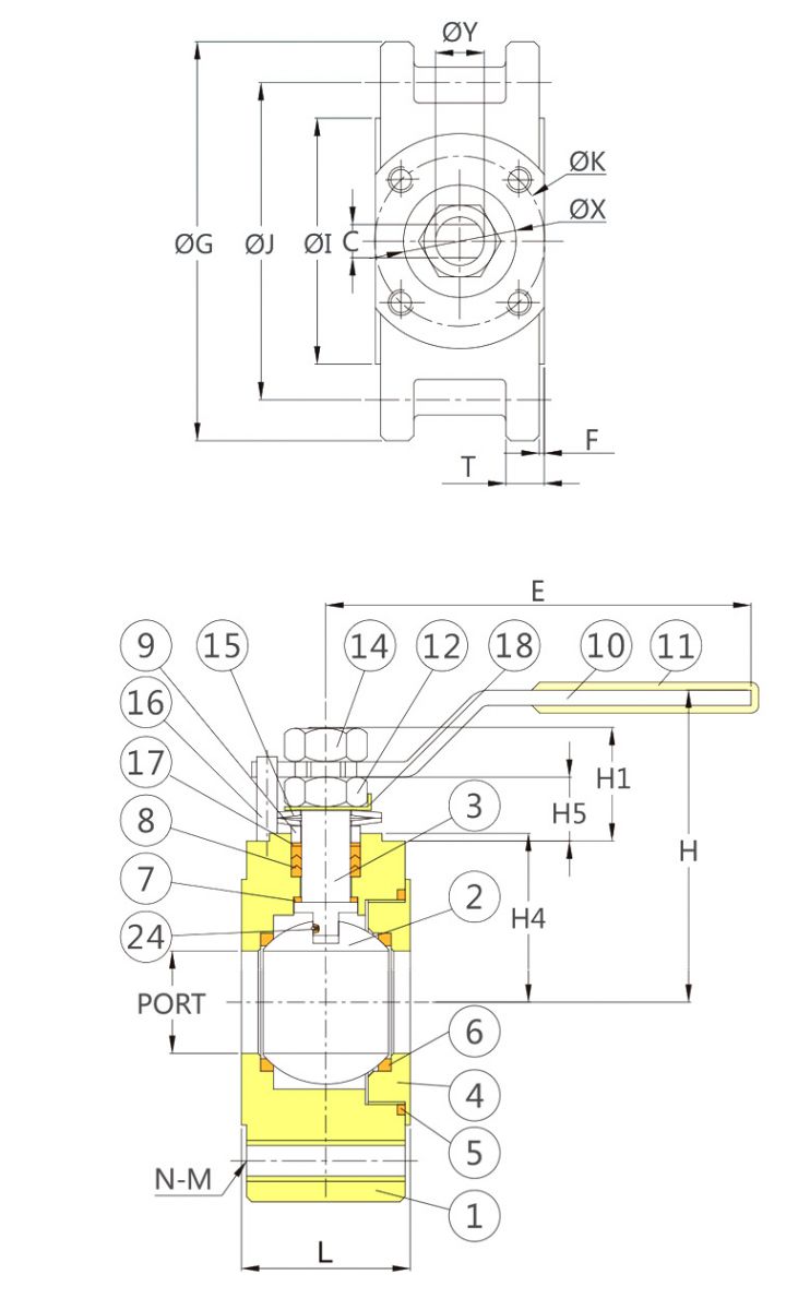
V-1F15
一片式全流法蘭球閥
FULL PORT ONE- PIECE BALL VALVE FLANGE END
 
防爆防静电中轴/全流BLOW-OUT PROOF STEM/ FULL PORT
 
带ISO5211平台 ISO 5211 MOUNTING DEVICE
 
适用温度范围 TEMPERATURE RANGE:-20 to 180℃
 
法兰尺寸参照FLANGE DIMENSIONS:  
                    ANSI B16.5 CLASS 150
 
检查测试TEST: EN-12266-1
                         API-598
 
Material List

Dimension