
涪原工业股份 (台湾公司)
中山涪原五金 (大陆工厂)
24小时咨询热线
0760-23803726

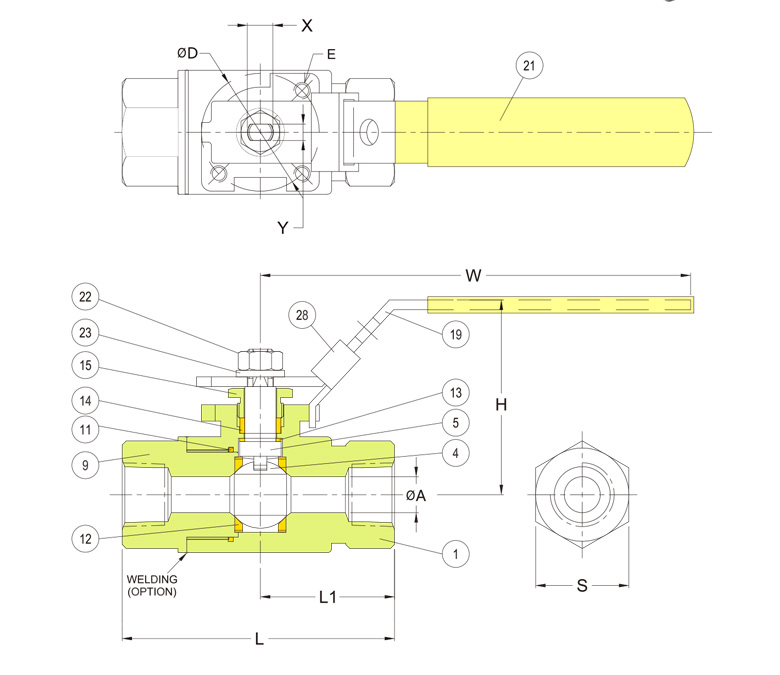
V-236 3000WOG 6000WOG
● 防爆中軸/减流 B LOW-OUT PROOF STEM
● 工作壓力 WORKING PRESSURE(CWP):DN8~DN50 3000psi/6000psi
● 適用温度範圍 TEMPERATURE RANGE:-20 to 180℃
● 掛鎖装置LOCKING DEVICE
● 管螺紋参照 PIPE THREAD IN ACCORDANCE
ASME B1.20.1(NPT)
DIN 259/DIN 2999
ISO 228/ISO 7-1
BS 21(PT)/BS EN 10226(R)


