
涪原工业股份 (台湾公司)
中山涪原五金 (大陆工厂)
24小时咨询热线
0760-23803726

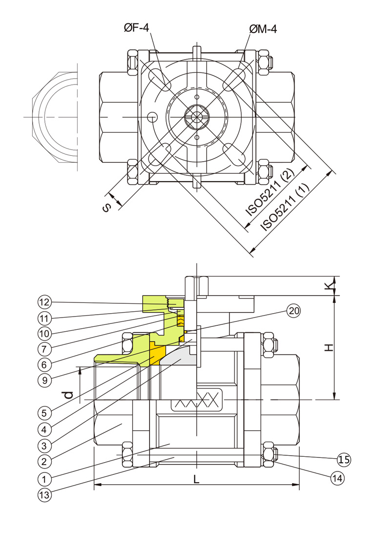
三片式全流高平台球阀
● 連接方式END CONNECTIONS :牙口/套焊/對焊
THREADED END,SOCKET WELD END,BUTT WELD END,Butt
● ISO5211平臺直接安装ISO 5211 DIRECT MOUNTING PAD
● 防爆中軸BLOW-OUT PROOF STEM
● 工作壓力:WORKING PRESSURE(CWP):DN8~DN50 1000psi
DN65~DN80 800psi
● 適用温度範圍 TEMPERATURE RANGE :-20 to 180℃
● 管螺纹参照 PIPE THREAD IN ACCORDANCE
ASME B1.20.1(NPT)
DIN 259/DIN 2999
ISO 228/ISO 7-1
BS 21(PT)/BS EN 10226(R)


