涪原工业股份 (台湾公司)

中山涪原五金 (大陆工厂)

24小时咨询热线

0760-23803726

V-355
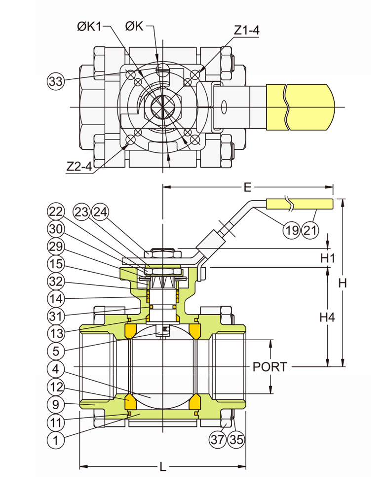
V-355  三片式ISO5211高平台球阀

2000WOG/1500WOG/1000WOG
 
●    連接方式END CONNECTIONS:牙口/套焊/對焊
 THREADED END,SOCKET WELD END,BUTT WELD
 END
 
●    SO5211高平臺ISO5211 DIRECT MOUNTING PAD
 
●    防爆防静电中軸BLOW-OUT PROOF STEM
 
●    工作壓力:WORKING PRESSURE(CWP):
V-355B DN8~DN25 2000psi PN140 bar
V-355B DN32~DN50 1500psi PN100 bar
V-355B DN65~DN100 1000psi PN63 bar
V-355R DN8~DN32 2000psi PN140 bar
V-355R DN40~DN65 1500psi PN100 bar
V-355R DN80~DN100 1000psi PN63 bar
 
●    適用温度範圍TEMPERATURE RANGE:-20 to 180℃
 
●    掛锁装置 LOCKING DEVICE
 
●    管螺紋参照 PIPE THREAD IN ACCORDANCE
            ASME B1.20.1(NPT) 
            DIN 259/DIN 2999
            ISO 228/ISO 7-1
            BS 21(PT)/BS EN 10226(R)
 
Material List

Dimension