
涪原工业股份 (台湾公司)
中山涪原五金 (大陆工厂)
24小时咨询热线
0760-23803726

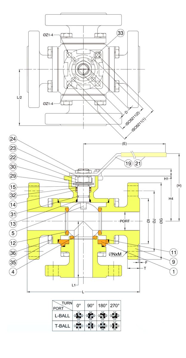
四通/五通法蘭球閥1/2"~2”(DN15-DN50)
PN16/PN40, Class150,10K
T-PORT,L- POR
5-BF PN16/40
·L型、T型、流向L-PORT&T-PORT
·防爆防静电中軸/全流BLOW-OUT PROOF STEM/FULLPORT
·適用温度範圍TEMPERATURE RANGE:-20 to 180℃
·法蘭尺寸参照FLANGE DIMENSIONS:
EN 1092-1TYPE21PN16/40(RF SF)
·檢查舆测試TEST:EN-12266-1
5-BF CLASS 150#
·L型、T型、X型流向L-PORT&T-PORT&X-PORT
·防爆防静电中軸/全流BLOW-OUT PROOF STEM/FULLPORT
·適用温度範圍TEMPERATURE RANGE:-20 to 180℃
·法蘭尺寸参照FLANGE DIMENSIONS:ASMEB16.5 CLASS150
·檢查舆测試TEST:API-598
5-BF JIS-10K
· 防爆防静电中軸/全流BLOW-OUT PROOF STEM/ FULL PORT
· ISO 5211平臺直接安装I SO 5211 DIRECT MOUNTING PAD
· 適用温度範圍 TEMPERATURE RANGE:-20 to 180℃
· 設計製造DESIGN:API 608
· 法蘭尺寸参照FLA NGE DIMENSIONS :JIS B2238 10K
· 法蘭長度FACE TO FACE:JIS B2002
· 檢查舆測試TEST: API-598


