
涪原工业股份 (台湾公司)
中山涪原五金 (大陆工厂)
24小时咨询热线
0760-23803726

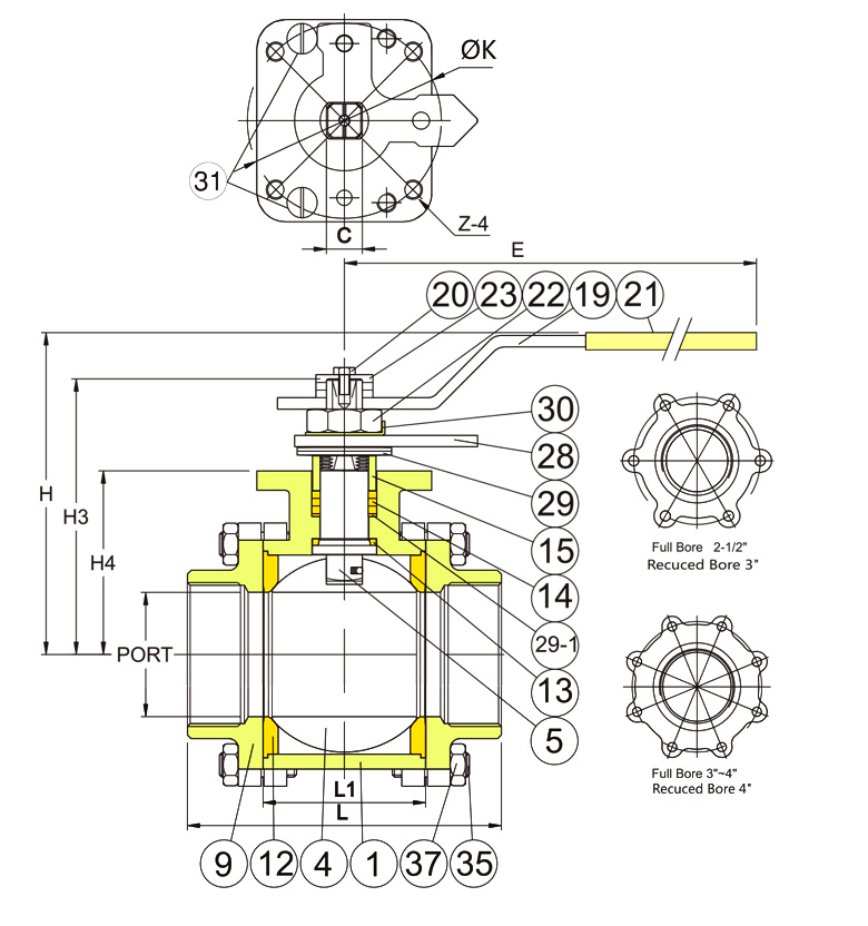
·連接方式END CONNECTIONS:牙口/套焊/對焊
THREADED END.SOCKET WELD END.BUTT WELD END
·带ISO5211平臺座 ISO 5211 MOUNTING FLANGE
·防爆中軸BLOW-OUT PROOF STEM
·工作壓力:WORKING PRESSURE(CWP):
V-155B DN65~DN100 1000psi PN63 bar
V-155R DN80~DN100 1000psi PN63 bar
·適用温度範圍 TEMPERATURE RANGE :-20 to 180℃
·掛锁装置 LOCKING DEVICE
·管螺紋参照 PIPE THREAD IN ACCORDANCE
ASME B1.20.1(NPT)
DIN 259/DIN 2999
ISO 228/ISO 7-1
BS 21(PT)/BS EN 10226(R)


