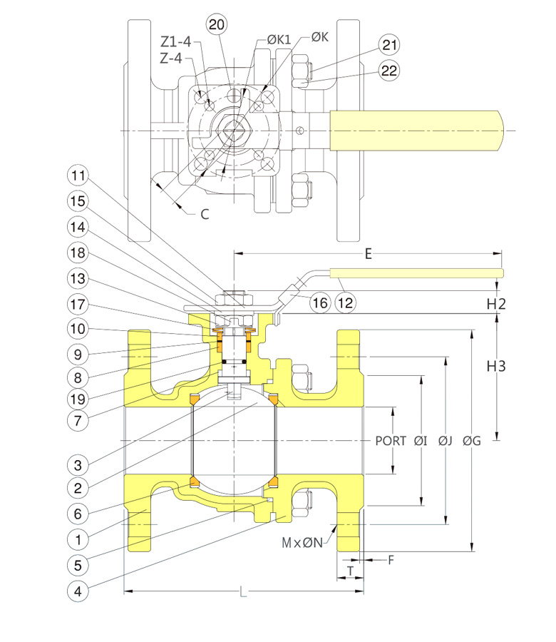
V-2FD PN16/40
● 防爆防静电中軸/全流BLOW-OUT PROOF STEM/FULL PORT
● ISO 5211平臺直接安装ISO 5211DIRECT MOUNTING PAD
● 適用温度範圍TEMPERATURE RANGE:-20 to 180℃
● 設計製造DESIGN:DIN EN ISO-17292
● 法蘭尺寸参照FLANGE DIMENSIONS:EN1092-1TYPE21PN16/40(RFSF)
● 法蘭長度FACE TO FACE:EN 558-1F4/F5(DIN 3202 F4/F5)
● 檢查舆测試TEST:EN-12266-1
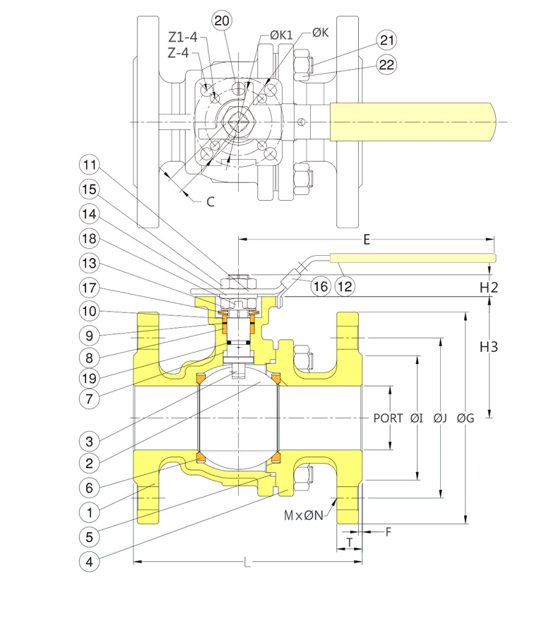
V-2FD CLASS150# 300#
● 防爆防静电中軸/全流BLOW-OUT PROOF STEM/ FULL PORT
● ISO 5211平臺直接安装ISO 5211 DIRECT MOUNTING PAD
● 適用温度範圍 TEMPERATURE RANGE:-20 to 180 ℃
● 設計製造DESIGN:API 608
● 法蘭尺寸参照FLANGE DIMENSIONS: ASME B16.5 CLASS150
● 法蘭長度FACE TO FACE:ASME B16.10
● 檢查舆測試TEST: API-598
Pressure test:API 598
V-2 FD JIS -10K
● 防爆防静电中軸/全流BLOW-OUT PROOF STEM/ FULL PORT
● ISO 5211平臺直接安装I SO 5211 DIRECT MOUNTING PAD
● 適用温度範圍 TEMPERATURE RANGE:-20 to 180℃
● 設計製造DESIGN:API 608
● 法蘭尺寸参照FLA NGE DIMENSIONS :JIS B2238 10K
● 法蘭長度FACE TO FACE:JIS B2002
● 檢查舆測試TEST: API-598
V-2FD GB - PN16/40 國標法蘭
● 防爆防静电中軸/全流BLOW-OUT PROOF STEM/ FULL PORT
● ISO 5211平臺直接安装ISO 5211 DIRECT MOUNTING PAD
● 適用温度範圍 TEMPERATURE RANGE:- 20 to 180 ℃
● 設計製造DESIGN:GB/T-12237
● 法蘭尺寸参照FLANGE DIMENSIONS: GB/T-9113.1
● 法蘭長度FACE TO FACE:GB/T-12221
● 檢查舆測試TEST:GB/T-13927